Endüstriyel Mikroskop Çözümleri
Endüstriyel Mikroskop Çözümleri
Endüstriyel Mikroskop Çözümleri
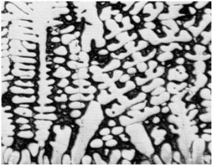
Demir Dışı Metaller Metalografisi
Çözüm detaylarıDemir Dışı Metaller Metalografisi
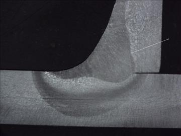
Çözüm detaylarıDemir Dışı Metaller Metalografisi
Çözüm detaylarıDemir Dışı Metaller Metalografisi
Çözüm detaylarıEndüstriyel Mikroskop Çözümleri
Endüstriyel Mikroskop Çözümleri
Endüstriyel Mikroskop Çözümleri
Endüstriyel Mikroskop Çözümleri























